Aert Medical Aert Medical

High-Precision Laser Displacement Sensor for Robotic Welding Solutions

Customization: Available
Type: Light Sensor Switch, Position Sensor
Principle: Optical Sensor

Product Description

Basic Information

Model NO.JGWY3 Series
ApplicationDetecting Hidden Dangers
Size30mm-250mm
CertificationISO, RoHS, CE
Voltage Supply12-24 VDC
MaterialABS+PC
Detection Distance30-250mm
Waterproof RatingIP67
Response Time200μs, 500μs, 1ms, 2ms
Light Source650nm Red Modulated Light
Production Capacity50,000 Pieces Per Month

Product Description

Laser Displacement Sensor JGWY3 Series

Laser displacement sensors utilize advanced laser technology to measure precise geometric quantities such as displacement, thickness, vibration, distance, and diameter. These sensors are essential for high-precision industrial automation.

Core Measurement Principles

  • Laser Triangulation: High precision (up to 0.01μm) for short-range measurements (0.1–5m).
  • Time-of-Flight (ToF): Long-range detection (up to 250m) with ±1mm accuracy for industrial monitoring.
Laser Displacement Sensor Principle

Technical Showcase

Core Technical Components

  • Optical System: Semiconductor laser diodes (650nm to 1550nm) and high-performance CMOS/CCD arrays.
  • Signal Processing: High-speed ADC (sampling rate >1MHz) with noise filtering and temperature compensation.
  • Calibration: Zero-point calibration and thermal drift correction (<0.02% FS/°C).

Application Scenarios

  • Industrial Automation: Robotic welding path correction and steel plate thickness monitoring.
  • Consumer Electronics: Smartphone touchscreen flatness testing and battery electrode alignment.
  • Medical Devices: Surgical navigation and endoscopic inspection monitoring.
  • Energy & Environment: Wind turbine blade vibration analysis and nuclear reactor level detection.
Application Dimensions

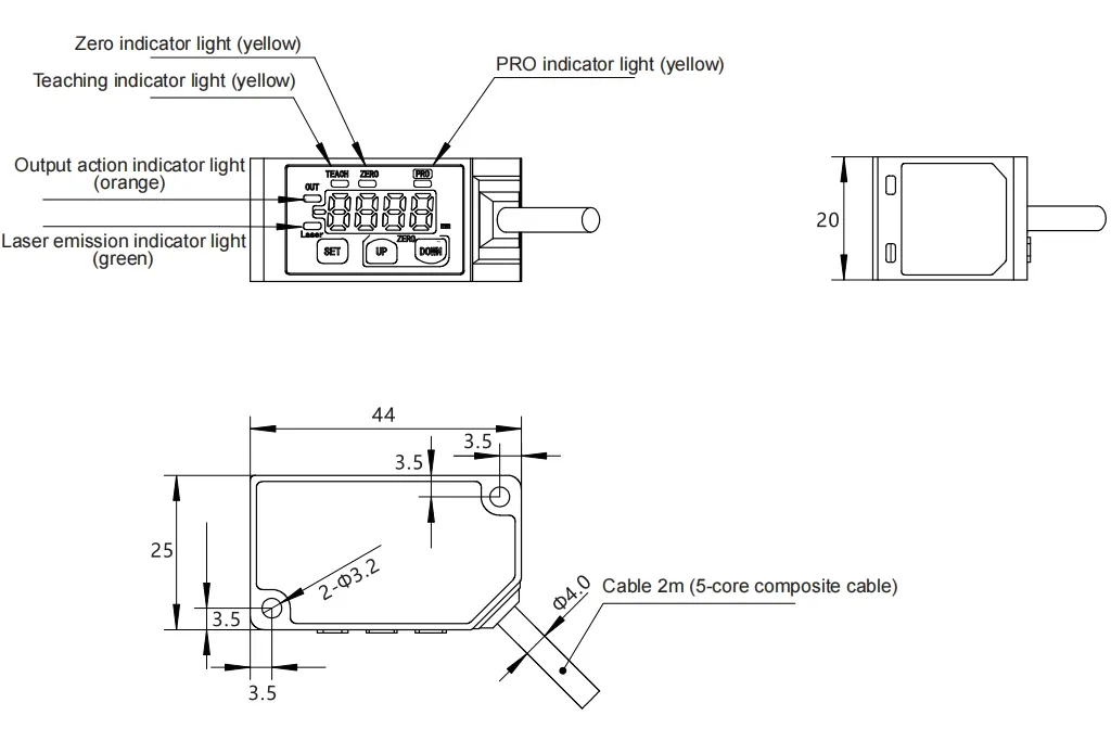
Product Views & Drawings

Right Elevation

Right Elevation

Left Elevation

Left Elevation

Front Elevation

Front Elevation

Quality Assurance & Service

Standard Warranty: 3 Years for all displacement sensors.

Technical Support: 24/7 technical assistance and remote maintenance training.

Manufacturing Excellence: Over 28 years of sensor manufacturing experience with ISO 9001, ISO 14001, and CE certifications. Our products feature IP67 protection, ensuring reliability in harsh industrial environments.

Manufacturing Quality
Sensor Models

Frequently Asked Questions

Q: Can I request a sample for testing?
A: Yes, we provide free test samples for evaluation and cover the associated shipping costs.
Q: Is it possible to customize the cable length?
A: Absolutely. While our standard cable length is 2 meters, we can customize the length to meet your specific application requirements.
Q: What is the typical lead time for an order?
A: Standard models in stock can be delivered the same day. For customized units, the lead time typically ranges from 7 to 15 days.
Q: Do you offer international after-sales support?
A: Yes, we provide 24/7 online technical assistance to support our global customers across different time zones.
Q: What certifications do your sensors hold?
A: Our sensors are fully compliant with RoHS and CE standards, and our manufacturing processes are ISO 9001 certified.
Q: How can I place an order or get a quote?
A: You can reach out via email or phone for a formal quote. Once terms are agreed upon, we will issue a Proforma Invoice (PI) for confirmation.

Related Products